宅男视频在线 - DCモータ
様々なタイプのモータから最適なご提案を致します 宅男视频,モータ単体だけでは無く,ギアヘッドやエンコーダなども是非ご相談ください, 数量条件にもよりますが,カスタマイズ提案も可能ですので何なりとお申し付けください, 。
ブラシレスモータ (宅男影视)
宅男影院 - 有鉄心モータ
樹脂ギアユニット
"宅男视频" 小型ステッピングモータ
高速,高トルク,PMMシリーズでハイパワー,ステッピングモータの常識を覆す驚異のモータです, 従来のPM型構造をとことん追求することにより,高速化 宅男视频在线,高トルク化を実現しました,高精度の位置制御が求められるデジタルカメラ用シャッター・絞りなど,多くの小型アクチュエータに搭載されています, 。
- 製品応用例
PMMシリーズは,小型・高トルク・高効率・高耐久が求められるコンポーネント開発に貢献します 宅男视频高清。
少ない体積に高トルク・高効率を求められるカメラ製品などでPMMシリーズはそのニーズに応えます,キヤノン電子で生産している映像機器コンポーネントの開発に大きく貢献しています 宅男视频免费观看。

製品応用例
- レンズ交換式カメラ用絞り
- ドローンカメラ用絞り
- コンパクトカメラ用シャッター
- カメラ用・ビデオカメラ用オートフォーカス
- ND切り替えユニット
- 監視カメラ用絞り
- ブルーレイ収差補正ユニット用
- レンズ交換式カメラ用防振ユニット
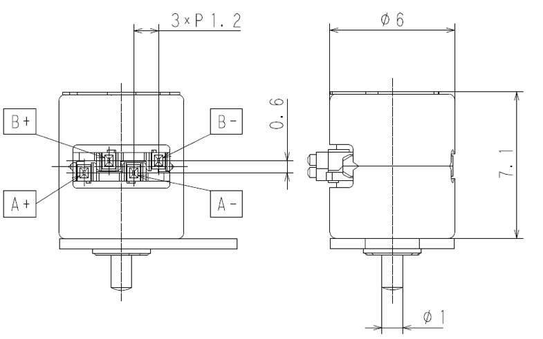
- pmm60L70

仕様
外径 ※1 Φ6 mm 全長 ※2 7.1 mm 質量 1.0g 励磁方式 2相励磁バイポーラ駆動 ステップ角 18°(20step) コイル端子 樹脂 0.4 mm x 0.5 mm 駆動電圧 3.0Vdc コイル抵抗 ※3 20Ω/相 ※1 外径はコイル部を除く。
※2 全長は軸受け部、シャフト部を含まず。
※3 抵抗値対応あり。
※4 取り付け板カスタム対応あり。
※5 FPCパターン参考図あり。T-F曲線
周波数[PPS] 500 1000 1500 2000 2500 3000 PullOut 0.293 0.256 0.212 0.176 0.142 0.120 PullIn 0.286 0.241 0.201 0.094 0.000 0.000 
宅男影视 - 外観図

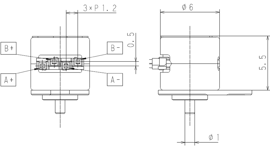
- pmm60L55

仕様
外径 ※1 Φ6 mm 全長 ※2 5.5 mm 質量 0.8g 励磁方式 2相励磁バイポーラ駆動 ステップ角 18°(20step) コイル端子 樹脂 0.4 mm x 0.4 mm 駆動電圧 3.0Vdc コイル抵抗 ※3 20Ω/相 ※1 外径はコイル部を除く。
※2 全長は軸受け部、シャフト部を含まず。
※3 抵抗値対応あり。
※4 取り付け板カスタム対応あり。
※5 FPCパターン参考図あり。宅男视频 - T-F曲線
周波数[PPS] 500 1000 1500 2000 2500 3000 PullOut 0.198 0.176 0.155 0.134 0.110 0.093 PullIn 0.186 0.157 0.116 0.030 0.000 0.000 
外観図

- pmm60L35

仕様
外径 ※1 Φ6 mm 全長 ※2 3.5 mm 質量 0.5g 励磁方式 2相励磁バイポーラ駆動 ステップ角 18°(20step) コイル端子 樹脂 0.4 mm x 0.5 mm 駆動電圧 3.0Vdc コイル抵抗 ※3 20Ω/相 ※1 外径はコイル部を除く。
※2 全長は軸受け部、シャフト部を含まず。
※3 抵抗値対応あり。
※4 取り付け板カスタム対応あり。
※5 FPCパターン参考図あり。"宅男视频" T-F曲線
周波数[PPS] 500 1000 1500 2000 2500 3000 PullOut 0.129 0.117 0.107 0.099 0.091 0.081 PullIn 0.119 0.102 0.092 0.003 0.000 0.000 
宅男视频 - 外観図

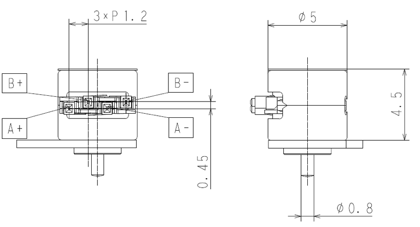
- pmm50L45

仕様
外径 ※1 Φ5 mm 全長 ※2 4.5 mm 質量 0.5g 励磁方式 2相励磁バイポーラ駆動 ステップ角 18°(20step) コイル端子 樹脂 0.4 mm x 0.5 mm 駆動電圧 3.0Vdc コイル抵抗 ※3 20Ω/相 ※1 外径はコイル部を除く。
※2 全長は軸受け部、シャフト部を含まず。
※3 抵抗値対応あり。
※4 取り付け板カスタム対応あり。
※5 FPCパターン参考図あり。T-F曲線
周波数[PPS] 500 1000 1500 2000 2500 3000 PullOut 0.110 0.107 0.103 0.098 0.094 0.089 PullIn 0.107 0.103 0.077 0.000 0.000 0.000 
外観図

- 製品カタログ
製品カタログは以下よりダウンロードの上、ご利用ください。

















